销售热线
技术热线:0576-85183757
销售电话:0576-85182037
技术电话:0576-85183757
传真号码:0576-85182843
联系邮箱:haihong@cn-hydraulic.com
公司地址:浙江省临海市江南街道金岭路199号
产品特点
控制方式:手柄式,具有定位功能;
工作形式:采用比例减压阀结构,随着手柄角度的不同,输出不同的压力。
结构紧凑,安装方便;
制动灵敏,制动微动性能好;
应用领域
主要用于矿山机械、农林机械、装载机等其它机械的全液压制动系统。
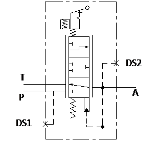
液压原理图
特性曲线
技术参数(对超出下述参数的应用场合,请与我公司联系)
|
概述 |
||||
|
结构 |
整体手柄式 |
|||
|
安装方式 |
见外形图 |
|||
|
油口连接方式 |
螺纹 |
|||
|
液压 |
||||
|
最大制动压力bar |
70 |
|||
|
公称压力bar |
200 | |||
|
允许最大回油背压bar |
1 |
|||
|
制动出口流量L/min |
30(max) |
|||
|
液压油温度范围℃ |
-20~+100 |
|||
|
粘度范围m2/s |
10~460 |
|||
|
油液允许的污染等级 |
-/19/16 (ISO4406:1999) |
|||
|
机械 |
||||
|
重量 Kg |
3.3 |
|||
产品外形图
相关产品
销售热线:0576-85182037
友情链接: 多路阀系列 先导阀系列 制动阀系列 操纵阀系列 农机阀系列 转向阀系列 Sitemap TXT Sitemap XML 网站地图

微信官网

手机官网